Новости

12 февраля, 2020 14:29

Молодые ученые ТГУ запатентовали способ получения пористого материала на основе никелида титана, схожего с натуральной костью

Коллектив молодых ученых лаборатории медицинских сплавов и имплантатов с памятью формы СФТИ ТГУ при поддержке РНФ ведет научные исследования в области медицинского материаловедения. Работа направлена на решение проблемы структурного и деформационного соответствия совместимых с организмом пористых сплавов на основе никелида титана костным тканям организма человека. Недавно исследователи получили патент на способ создания пористого сплава на основе никелида титана.
Фото: макроструктура пор и межпоровых перемычек сплава на основе TiNi, полученного методом диффузионного спекания (снимок получен в обратноотраженных электронах). Источник: Сергей Аникеев
Фото: порошок интерметаллида TiNi, используемый для получения пористых образцов. Источник: Сергей Аникеев
Фото: общий вид образца пористого сплава на основе никелида титана, полученного методом спекания. Источник: Сергей Аникеев
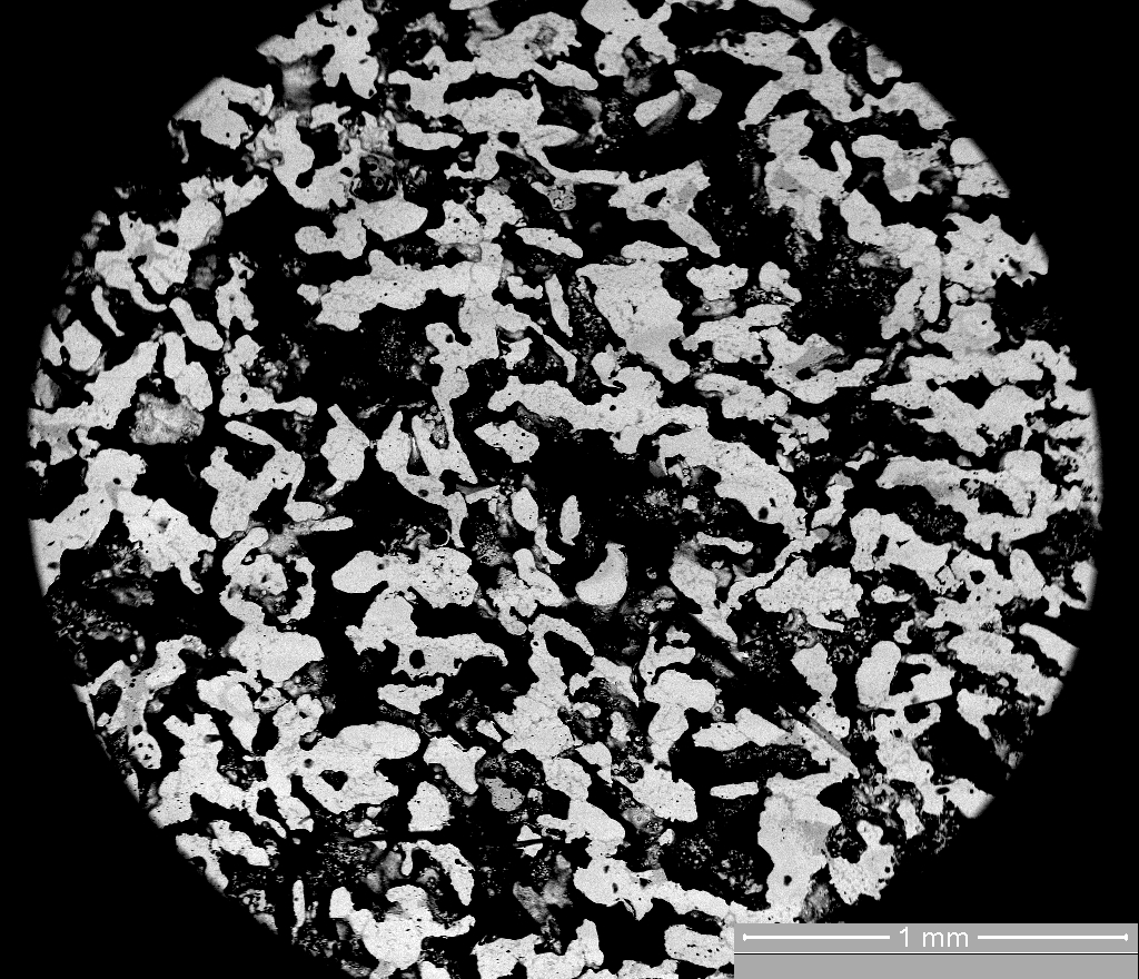
Фото: макроструктура пористого образца на основе сплава никелида титана. Источник: Сергей Аникеев
Фото: макроструктура пор и межпоровых перемычек сплава на основе TiNi, полученного методом диффузионного спекания (снимок получен во вторичных электронах). Источник: Сергей Аникеев
3 / 4
Фото: макроструктура пор и межпоровых перемычек сплава на основе TiNi, полученного методом диффузионного спекания (снимок получен в обратноотраженных электронах). Источник: Сергей Аникеев
Фото: порошок интерметаллида TiNi, используемый для получения пористых образцов. Источник: Сергей Аникеев
Фото: общий вид образца пористого сплава на основе никелида титана, полученного методом спекания. Источник: Сергей Аникеев
Фото: макроструктура пористого образца на основе сплава никелида титана. Источник: Сергей Аникеев
Фото: макроструктура пор и межпоровых перемычек сплава на основе TiNi, полученного методом диффузионного спекания (снимок получен во вторичных электронах). Источник: Сергей Аникеев

– В рамках моего первого, инициативного, проекта мы решили задачу оптимизации пористого пространства в сплавах на основе никелида титана за счет создания комплекса уникальных террасовидных массивов на поверхности стенок пор, которые соразмерны с клеточными структурами, – рассказал Сергей Аникеев, руководитель проекта, старший научный сотрудник лаборатории медицинских сплавов и имплантатов с памятью формы Сибирского физико-технического института Томского государственного университета. – Наличие такого рельефа призвано значительно повысить параметры биосовместимости материала, что выражается в сокращении сроков приживаемости имплантатов на основе никелида титана.

В ходе анализа полученных данных ученые выделили направления развития исследования, которые относятся к разным областям науки, что заложило основу для нового междисциплинарного проекта. Масштаб решаемой проблемы охватывает такие области, как материаловедение, порошковая металлургия и клеточная инженерия. Новый проект направлен на создание соответствующего материала по конструкционным и функциональным свойствам живым костным тканям организма для изготовления имплантируемых пористых устройств. Такие устройства могут найти применение в хирургии, стоматологии, ортопедии и многих других областях медицины. Кроме экспериментальных работ, основанных на процессах порошковой металлургии, ученые планируют сделать новые эксперименты in vitro, чтобы изучить взаимодействие клеточных популяций с новыми пористыми сплавами на основе никелида титана с добавками титана, никеля и кобальта.

9 апреля, 2026
Создан новый композит для 3D-печати для атомной и аэрокосмической отраслей
Специалисты НИТУ МИСИС создали новый алюминиевый композит для 3D-печати, который одновременно обла...
8 апреля, 2026
Физики раскрыли процессы взрывного разрушения тонких металлических катодов во время импульсного разряда в вакууме
Исследователи изучили ключевые процессы, происходящие при электрическом взрыве тонких металлически...

Хотите рассказать о своем исследовании? Заполните форму на нашем сайте