Новости

18 февраля, 2022 16:11

Чайный гриб помог получить бактериальную целлюлозу из овсяной шелухи

Источник: ТАСС
С помощью чайного гриба российские ученые получили из овсяной шелухи высококачественную бактериальную целлюлозу - биосовместимый, прочный и эластичный полимер, который используется в биомедицине и технической химии. Описание технологии опубликовал научный журнал Cellulose, кратко об этом пишет пресс-служба Российского научного фонда.
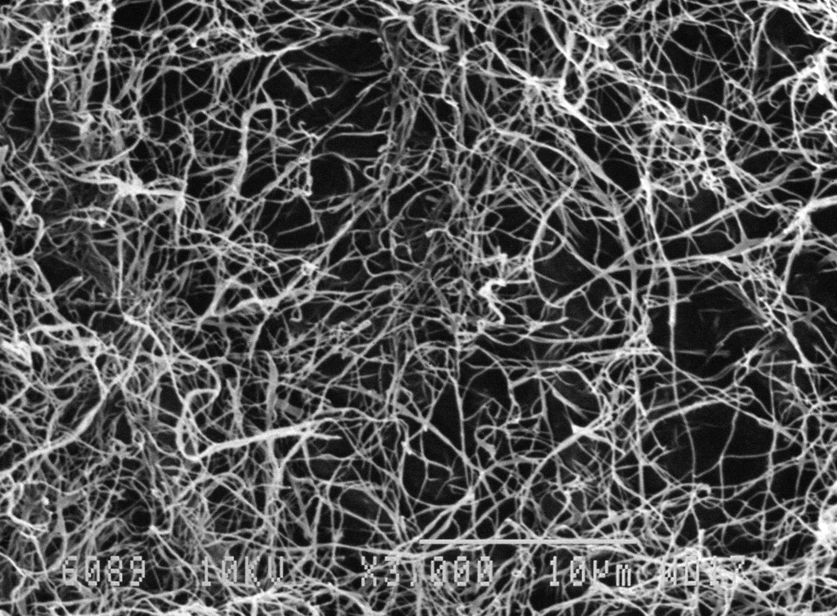
Микроструктура бактериальной целлюлозы. Источник: Вера Будаева
Сотрудники лаборатории биоконверсии Института проблем химико-энергетических технологий СО РАН с научным руководителем гранта РНФ академиком Саковичем Г.В. Источник: Вера Будаева
3 / 4
Микроструктура бактериальной целлюлозы. Источник: Вера Будаева
Сотрудники лаборатории биоконверсии Института проблем химико-энергетических технологий СО РАН с научным руководителем гранта РНФ академиком Саковичем Г.В. Источник: Вера Будаева
Бактериальную целлюлозу синтезируют уксуснокислые бактерии. Она по многим параметрам превосходит целлюлозу растительного происхождения: по прочности, эластичности. Кроме того, бактериальную целлюлозу отличает пористая структура и высокая биосовместимость. Ее используют в медицине, пищевой промышленности, в производстве косметики и электроники. Несмотря на широкие перспективы, процесс получения бактериальной целлюлозы не слишком производительный, а потому довольно дорогой.

Схема процесса получения бактериальной целлюлозы из овсяной шелухи. Источник: Вера Будаева

"Ученые из Института проблем химико-энергетических технологий Сибирского отделения (СО) РАН предложили предварительно обрабатывать овсяную шелуху разбавленными растворами азотной кислоты и щелочи, что помогло в дальнейшем в три раза увеличить производительность синтеза бактериальной целлюлозы. Технологи выдерживали овсяную шелуху в химических растворах при нагревании в течение шести часов. Безопасный для человека и окружающей среды процесс подготовил сырье к последующей обработке ферментами, разлагающими целлюлозу шелухи овса до глюкозы", - говорится в сообщении.

На полученной питательной среде микробное сообщество из уксуснокислых бактерий и дрожжей, которое называют чайным грибом, синтезировало бактериальную целлюлозу высокого качества. Поскольку обработанная кислотой и щелочью овсяная шелуха впервые использовалась в качестве питательного субстрата, ученые исследовали микроструктуру синтезируемого бактериями материала.

Оказалось, что чайный гриб обеспечил очень большое содержание алломорфа I альфа (до 93%) в бактериальной целлюлозе, а также высокую кристалличность полимера. Чем выше эти структурные показатели, тем лучше считается материал, поскольку он приобретает высокую биосовместимость и прочность.

"Предложенный нами метод предварительной обработки овсяной шелухи позволил получить бактериальную целлюлозу экстраординарного качества. Она уже привлекла внимание нескольких ботехнологических компаний, желающих реализовать на практике новую технологию синтеза этого полимера", - сказала одна из авторов работы Вера Будаева.

9 апреля, 2026
Создан новый композит для 3D-печати для атомной и аэрокосмической отраслей
Специалисты НИТУ МИСИС создали новый алюминиевый композит для 3D-печати, который одновременно обла...
8 апреля, 2026
Физики раскрыли процессы взрывного разрушения тонких металлических катодов во время импульсного разряда в вакууме
Исследователи изучили ключевые процессы, происходящие при электрическом взрыве тонких металлически...

Хотите рассказать о своем исследовании? Заполните форму на нашем сайте