Такой способ позволяет формировать в полиэтилене поры необходимого размера и воспроизводить сложное строение костной ткани.
Как считает автор исследования Алексей Салимон, сотрудник Сколковского института науки и технологий, сверхвысокомолекулярный полиэтилен – перспективный материал для восстановительной хирургии.
"Например, в комбинации с коллагеном и гидроксиапатитом – минералом, из которого наполовину состоит костная ткань, – из него можно создавать многослойные костно-хрящевые имплантаты", – отмечает Салимон.
На сегодняшний день СВМПЭ уже применяется в современных искусственных суставах наряду с металлами и керамикой.
Плотный полимер из длинных линейных цепочек полиэтилена известен своей прочностью и безопасностью для живых тканей. Кроме того, он не вызывает каких-либо реакций организма.
Благодаря этим свойствам материал можно использовать для создания различных типов имплантатов, например, искусственных костей.
Такой имплантат должен быть пористым, чтобы в него прорастали кровеносные сосуды и мигрировали костные клетки. Но получить сложные внутренние структуры в сверхвысокомолекулярном полиэтилене непросто. Та же трёхмерная печать не пригодится здесь, поскольку при плавлении СВМПЭ остаётся слишком вязким.
Эту проблемы решает технология смешивания полимера с поваренной солью, предложенная ранее в НИТУ МИСиС. Из готового изделия удаляется соль, растворяя её в обычной воде.
В ходе проекта РНФ химики и инженеры впервые изучили структурные особенности пористого материала, полученного таким способом, и доказали, что технология позволяет управлять размером пор.
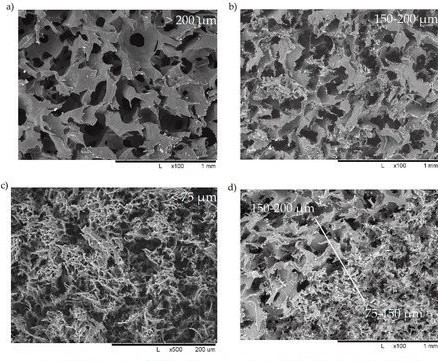
В рамках эксперимента применялся уже готовый полиэтилен в виде порошка. Его и поваренную соль просеяли, разделив по размеру частиц на четыре фракции.
Затем порошок полиэтилена и соль смешали в соотношении 1:9 (такое высокое содержание соли было необходимо, чтобы получить полимер с большим объемом пор). Смеси спекали при температуре 180°C и под давлением формировали из них одинаковые цилиндры.
После этого соль удалили, в течение двух суток промывая изделия теплой водой.
Исследователи проверили полученный материал на прочность при сжатии и эластичность. Кроме того, они изучили его при помощи электронного микроскопа и подтвердили, что диаметр пор и толщина стенок между ними зависят от размера исходных частиц.
Что важно, механические свойства материалов оказались практически одинаковыми независимо от размера пор.
Модуль упругости Юнга, который описывает способность материала сопротивляться растяжению, у пористого полимера ожидаемо оказался значительно ниже, чем у плотного.
Его значения находятся в диапазоне от 1 до 2,5 мегапаскалей, что соответствует характеристикам мягких тканей, а не костей.

Рисунок: структура сверхвысокомолекулярного полиэтилена, полученного из частиц разного размера. Источник: Сергей Лермонтов, Алексей Салимон, Федор Сенатов
В таких условиях клетки кости не могут нормально функционировать, поскольку им требуется более твердая подложка. Но в комбинации с другими материалами из полиэтилена вполне возможно создать искусственную кость, которую постепенно заполнят клетки костной ткани.
"Пористый СВМПЭ может быть идеальной основой для сложных экспериментов с клеточными культурами", – подчёркивает Сергей Лермонтов, руководитель проекта РНФ, заведующий лабораторией новых синтетических методов Института физиологически активных веществ РАН.
По его словам, клетки, выращенные на плоской поверхности, ограничены в росте и взаимодействиях, а на 3D-основе можно создать близкие к существующим в живом организме условия.
"Мы уже провели эксперименты по выращиванию на сверхвысокомолекулярном полиэтилене клеток злокачественной опухоли нервной системы человека – нейробластомы", – добавляет он.
В исследовании участвовали ученые из Сколковского института науки и технологий, Института физиологически активных веществ РАН и Национального исследовательского технологического университета "МИСиС".
Результаты эксперимента опубликованы в журнале Materials. Исследование проводится при поддержке Российского научного фонда.